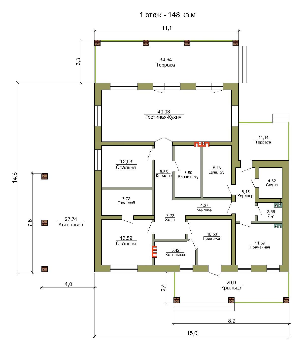
Готовый проект дома 148 кв.м // Артикул R-199

Площадь: 
148 м2
Стоимость: 
35,000c
* Цена на дату публикации

Готовый проект дома 148 кв.м // Артикул R-199

Просторный, красивый одноэтажный дом, удобное расположение комнат, рассчитаны все материалы вид и количество.
В проект входят:
1. 30 листов чертежей доступных для понимания строительной бригаде любого уровня. Формат А4. Разделы КЖ и АР - т.е. фундамент, стены, кровля.
2. Расчет количества материалов. Подробный – 109 пунктов калькуляции.
3. Вы можете письменно задать вопросы по проекту - отвечу подробно.

Состав фундамента: ж/бетонные буронабивные сваи и ростверк
Состав стен: автоклавный газобетон, лицевой кирпич, отделочная доска
Состав кровли: деревянные стропила, металлочерепица

Перекрытие: деревянные лаги, утеплитель
Высота потолков 3м

Опыт проектирования: 17 лет
Опыт строительства: 22 года

Проектирую здания, сооружения в программах AutoCAD и 3Ds-max.

Все можно сделать по интернету. Оформить и оплатить.

Проектировал дома - для Калининграда, Смоленска, С.-Петербурга, Воронежа, Москвы, Нижнего Новгорода, Перми, Челябинска, Севастополя, Казани, Горно-Алтайска, Новосибирска, Красноярска, Владивостока, Петропавловска-Камчатского, Южно-Сахалинска и других городов.
Есть сайт с другими моими проектами.




Получив подробный расчет материалов, Вы сможете узнавать и записывать
текущие цены и будете точно знать какую сумму Вы потратите на строительные материалы.
У меня есть опыт строительства домов,
поэтому я не просто "рисую",
а понимаю, как это будет построено и
я могу вас проконсультировать Вас в процессе
строительства по моему проекту.
Проект разработан так, что если строить точно по чертежам, то получится именно такой дом.

Есть сайт с другими моими проектами.

В проекте есть абсолютно вся информация, которая потребуется Вашим строителям для его реализации.

Моя почта: dom347@yandex.ru

Способы оплаты проекта смотрите здесь: http://aspdom.com/cab/profile
#готовыйпроект #готовыйпроектдома #готовыйпроекткоттеджа #построить дом #дизайн #кирпич #бревно #пила #современный дом #фундамент #кровля #красивыйдом #лучший дом #архитектурнырешения #конструкторские решения #какпостроитьдом

Характеристики проекта:

Материал стен: 
Кирпичные, газобетон
Тип перекрытий: 
Деревянное
Жилых комнат: 
3
Тип фундамента : 
Свайный
Кровля: 
Металлочерепица
Наружная отделка: 
Облицовочный кирпич
Автор: 

Стоимость строительства

* 3 256 000 c * Не является точным сметным расчетом

Фасады проекта





Планы проекта
Комментарии к проекту «Готовый проект дома 148 кв.м // Артикул R-199»

Популярные статьи из раздела Проектирование

Мастер спальня – это комплекс комнат в частном доме, которые...
Приглашаем специалистов строительной отрасли посетить меропр...
Разработка и управление ходом реализации загородных домов пр...
Энергоэффективность и устойчивость: Интеграция инновационных...
Безопасность и технические инновации в построении частных до...
Любая планировка не случайна. Работа над планировкой ведется...